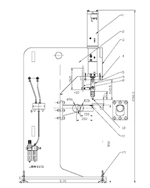
Clinching Press (8-Ton HVAC Duct Clinching)
- Pressing Force 78kN-156kN
- Throat Depth 400-500mm
- Daylight 45mm
The TCEU clinching press is a specialized clinching system designed specifically for the HVAC and refrigeration industries. It is engineered for the high-volume production of standard-sized ventilation ducts. Featuring an extra-deep throat and a robust frame, this press series is highly adaptable to meet specific customization requirements.
Key Advantages
- Simplified Power Drive: Utilizes an advanced pneumohydraulic cylinder as the primary power actuator.
- Generates 2kN-2000kN of pressing force using only 2-8 bar compressed air, eliminating the need for complex hydraulic power units.
- Pressing force is infinitely adjustable within the specified range.
- Unique "Adaptive" Pressing Technology: The power stroke is automatically triggered at any point within the total stroke upon contact with the workpiece.
- No stroke adjustment is required when changing tools or workpieces. During the power stroke, the force automatically adapts to load changes, optimizing the assembly process.
Applicable Processes
Forming
Testing
Stamping
Embossing
Drawing
Sealing
Riveting
Cutting
Bending
Compression
Clinching
Press fitting
Product Applications
Damper Blade Clinching
Fire Damper Assembly
Air Damper/Volume Control Damper (VCD) Assembly
Duct Seam Joining/Ductwork Clinching










